TII 3-Electrode Miniature Gas Tubes

71 Series - Heavy Duty with Radial Leads & 72 Series without Leads


DESCRIPTION

REA Accepted Per PE-80

The TII 71 three-electrode gas tube is designed for use in telecommunications circuits, signal circuits and control circuits. This surge arrester also lends itself to general purpose usage in the arresting of electrical surges and transients. The TII 71 is suitable for printed circuit board use as well as special socket applications. Leads tin plated for good solderability.


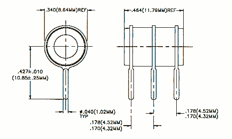
Dimensions: 0.46" long x 0.345"dia. x 021" lead length
Weight: 0.1 oz.
Standard Package: 100 pieces



SPECIFICATIONS 71 and 72* Gas Tubes

Impulse Life - 1000A, 10/1000 µsec waveform (500A each line to ground simultaneously either polarity): 400 surges minimum
DC Breakdown (Line to Ground: 300-500V
AC Discharge Current 11 cycles, 60 Hz: 130A rms (65A each line to ground simultaneously)
Maximum Single Impulse Discharge Current 8/20 µsec waveform: 20kA (10kA each line to ground simultaneously)
DC Holdover: 150V minmum@200mA
Capacitance: Line to ground: 2pF
line to line: 1pF
Impulse Breakdown Voltage
(Line to Ground):
@ 100V/µsec
@10kV/µsec


750V maximum
1200V maximum
Insulation Resistance measured@100Vdc: 1000 Megohms minimum
Test Methods: IEEE465.1, REA PE-80, PEG-1

* NOTE: 72 tube has identical specifications and dimensions (without leads).

comm-omni@comm-omni.com

Return to Comm-Omni Home Page

Index

To speak to one of our consultants, please call us at 1-800-543-8790