TII 3-Electrode Miniature Gas Tube

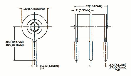
47BT SERIES WITH RADIAL LEADS


DESCRIPTION

The TII 47BT is a miniature three- electrode tube suitable for use on carrier and other communication equipment requiring higher DC Holdover. Mounts in socket for .040" diameter leads or can be direct wired in printed wiring boards. Leads tin plated for good solderability.


Dimensions: 0.42" long x 0.30" dia. x 0.21" lead length
Weight: 0.1 oz.
Standard Package: 100 pieces



SPECIFICATIONS

Impulse Life - 150A, 1/240 µsec pulses of alternating polarity concurrently applied to each gap. Approximately 25 pulses per minute: simultaneously either polarity): 80% of product within initial spec after 250 pulses
DC Breakdown @2000V/Sec: 300-500V
Impulse Breakdown @100V/µs 750 Volts Max.
AC Discharge Current 11 cycles, 60 Hz: 130A rms (65A each line to ground simultaneously)
Transition Time 1/2 µs Max.
Maximum Single Impulse Discharge Current 8/20 µsec waveform: 20kA (10kA each line to ground simultaneously)
DC Holdover: 180V Typ. @200mA
Capacitance @1 MHz, 0 VDC (a/b-e): 2pF Max.
Service Live
(10/1000 Waveform, 1kA):
(500 A Both sides simultaneously


400 Applications
Insulation Resistance measured@50Vdc: 1000 Megohms minimum
Operating Temperature Range -40 deg.C - 200 deg.C
Test Methods: IEEE465.1

comm-omni@comm-omni.com

Return to Comm-Omni Home Page

Index

To speak to one of our consultants, please call us at 1-800-543-8790